ACS37003: 400 kHz,高精度电流传感器5 kv隔离

描述

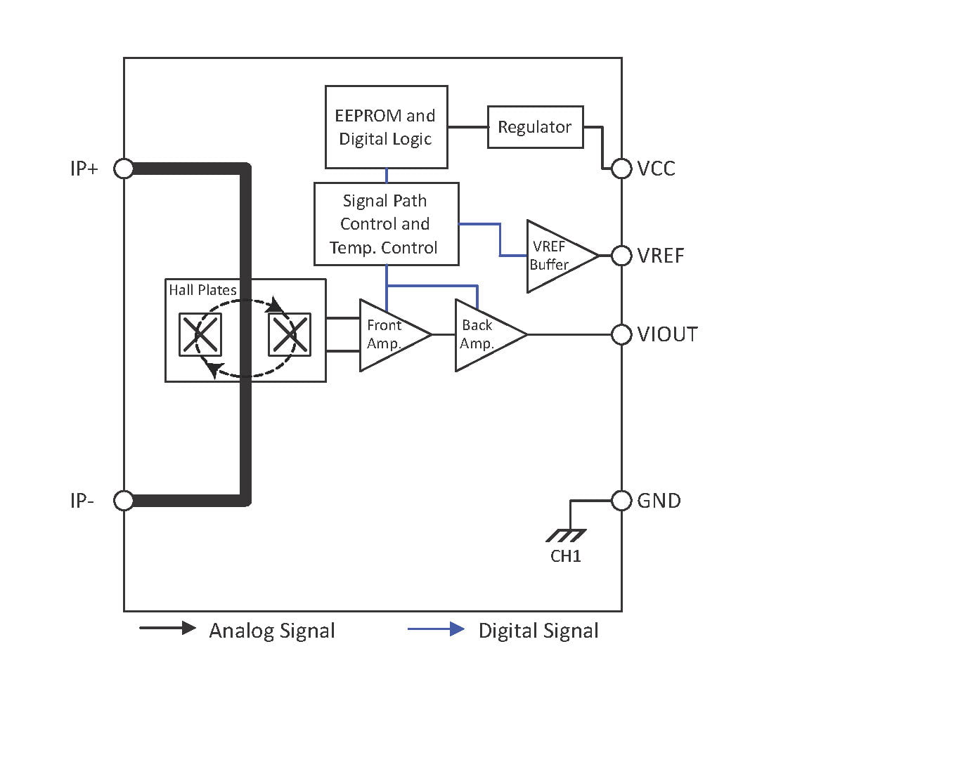
ACS37003是400千赫采用霍尔电流传感器在5 kv隔离提供非常高的精度。它是理想的工业电机逆变器和功率控制的应用程序。雷竞技最新网址感觉到电流进入包接近高度耦合的集成电路采用霍尔传感器的磁场。由于电隔离当前集成电路,高电压隔离评级。当前由两个大厅板块减去感觉到不同的共模干扰的外部磁场。传感器factory-trimmed提供高精度在整个操作范围内不需要客户编程。

ACS37003传感器的模拟输出和参考输出信号完整性在嘈杂的环境中。可用的SOICW-16 (MC)包内部导体电阻非常低为0.27莫姆孤立和高评级的5 kVrms应用超低功率损耗和高钢筋隔离是必要的。雷竞技最新网址

高级功能

  • 400千赫带宽提供快速控制循环和使用监控高速水流
  • 与6 mV最大偏移电压高精度实现温度和non-radiometric操作VREF输出,和微分感应磁场高免疫力
  • 外部可配置的增益设置使用两个逻辑痛苦和四个可调增益水平设计的灵活性

部分规格数量和可用性

零件号 包类型 温度 RoHS
兼容的
组成部分/
RoHS数据
评论 样品 检查股票
acs37003kmcatr - 050 b5 16-lead SOIC -40°C到125°C 是的 视图数据 联系你的
当地的销售代表
检查
经销商库存
acs37003kmcatr - 085 b5 16-lead SOIC -40°C到125°C 是的 视图数据 联系你的
当地的销售代表
检查
经销商库存
acs37003kmcatr - 120 b3 16-lead SOIC -40°C到125°C 是的 视图数据 联系你的
当地的销售代表
检查
经销商库存
acs37003kmcatr - 180 b5 16-lead SOIC -40°C到125°C 是的 视图数据 联系你的
当地的销售代表
检查
经销商库存

快板的产品不用于任何设备或系统,包括但不限于生命支持设备或系统,快板的失败的产品可以合理地预期造成人身伤害。

快板MC 16-Pin包装形象

包装

16-pin SOICW(后缀MC)

raybet投注设计支持工具

快速的客户门户:获得快速的产品软件和设计工具。

相关资源raybet软件

宣传册:当前传感精度高400千赫(PDF)

常见问题

电流传感器常见问题解答»